Guns'n'Roses Magnet Board

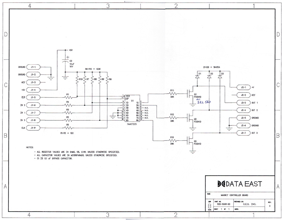
The Guns'n'Roses magnet board seems to cause a number of problems, mostly related to failure of the drive transistors. Here's some work that describes a noise problem, and proposes the fix of adding a 0.27uF capacitor across the clock pin and ground.

In terms of troubleshooting, the first thing to do- in the absence of other information - is add that cap. Then, check the diodes with a meter in diode test mode for open circuit one way (2+V in diode test) and 0.7V the other way. Any shorted or open diodes should be replaced.

The transistors can be replaced by IRL540 FETs. These are super powerful devices that will withstand a lot of abuse. A bad transistor will typically show as a short. Plugging a board with bad transistors into the machine will usually blow the fuse, as the magnets stay jammed on.

If the board appears to be good but the magnets still don't work, here are a few things to try with the board installed and the game on.

1) The transistor tabs should have 70V on them. If they don't, you have a power problem to the magnets, or open magnet coils.

2) If the 70V is there, momentarily connecting the tab to ground should cause the magnet to fire. You'll hear a sort of magnet thump.

3) If tests 1 and 2 work, there's probably a problem with the input connections.

Here's the schematic. Note that the pullup resistors are connected to ground, not +5V. This is strange. Stranger still is their value, 100k. That's only enough to stop the inputs from floating around when disconnected. The inputs connect to the drive lines through 100R resistors. Not surprising that the whole thing is sensitive to ground noise!
The underside of the board. I believe that the rework is factory, as it matches the  schematic.
And the top side. I have highlighted the two pins for the 0.27uF capacitor fix.

 

 

Pictures thanks to Craig (Playwell) in Australia.